در هر سامانهی IoT، اندازهگیری صحیح پارامترهایی نظیر جریان و ولتاژ مصرفی نقش کلیدی در تحلیل عملکرد، بهینهسازی مصرف انرژی، تشخیص خطاهای سختافزاری و افزایش قابلیت اطمینان سیستم دارد. بهعنوانمثال، پایش مستمر جریان مصرفی کل سیستم یا بخشهای مختلف آن میتواند نشانههای اولیهی خرابی قطعات، اتصال کوتاه، اضافهبار یا رفتارهای غیرعادی را آشکار کرده و امکان واکنش سریع و هوشمند را برای سیستم فراهم سازد.
ازاینرو، در این مجموعهمقالات تلاش میشود تا روشهای مختلف اندازهگیری کمیتهای الکتریکی در سیستمهای IoT بهصورت گامبهگام و با رویکردی عملی مورد بررسی قرار گیرند. در این مسیر، هم استفاده از سنسورها و المانهای اندازهگیری متداول و هم راهکارهای مبتنی بر میکروکنترلرها برای نمونهبرداری، تقویت، فیلتر و پردازش سیگنالهای اندازهگیریشده مورد بحث قرار خواهد گرفت. تمرکز اصلی بر اندازهگیری جریان و ولتاژ، در هر دو نوع AC و DC خواهد بود و چالشهای عملی طراحی سختافزار در کنار مباحث تئوری بررسی میشوند.
در ادامهی این مسیر، باتکیهبر دادههای ولتاژ و جریان اندازهگیریشده، وارد مباحث تحلیل توان الکتریکی خواهیم شد؛ از جمله محاسبهی توان اکتیو، توان راکتیو، توان ظاهری و ضریب توان (Cos φ). این مباحث نهتنها پایهی تحلیل کیفیت توان را تشکیل میدهند، بلکه نقش مستقیمی در ارزیابی عملکرد مصرفکنندهها، تشخیص بارهای ناکارآمد و بهینهسازی مصرف انرژی ایفا میکنند. در همین راستا، یک پروژهی عملی اندازهگیری توان بهصورت مرحلهبهمرحله طراحی و پیادهسازی خواهد شد تا ارتباط بین مفاهیم تئوری و پیادهسازی واقعی در یک سیستم IoT بهصورت ملموس نشان داده شود.
در بخشهای بعدی این مجموعه، دامنهی اندازهگیری فراتر از کمیتهای الکتریکی رفته و به بررسی اندازهگیری سایر پارامترهای فیزیکی پرکاربرد در سیستمهای هوشمند پرداخته میشود؛ از جمله دما، رطوبت، فشار و دبی سیالات. در این میان، اندازهگیری دبی آب و گاز — که معمولاً بر حسب مترمکعب بر ساعت (m³/h) یا لیتر بر دقیقه (L/min) بیان میشود — بهعنوان یکی از ارکان اصلی در سامانههای کنتورهای هوشمند و مدیریت مصرف موردتوجه ویژه قرار خواهد گرفت.
امید است مطالب ارائهشده در این مجموعه، ضمن ایجاد دیدی عمیقتر نسبت به طراحی مدارهای اندازهگیری و تحلیل دادهها، بتواند گامی مؤثر در جهت ارتقای دانش طراحی سختافزار در حوزهی IoT و توسعهی سیستمهای هوشمند دقیق، پایدار و بومی باشد.
برای اندازهگیری جریان الکتریکی بسته به نوع جریان (AC,DC) روشهای مختلفی هست از جمله:
البته روشهای پراکنده دیگهای هم هست؛ ولی بهطورکلی این موارد کلی هست.
بزارید یکم روشهای ذکر شده رو بشکافیم و بیشتر در موردشون صحبت کنیم.
در این روش ما جریانی که نیاز به اندازهگیری هست را از یک مقاومت شنت که مقدار مشخصی داره عبور میدیم و افت ولتاژ دوسر مقاومت شنت رو با استفاده از adc میکروکنترلر محاسبه میکنیم و سپس با استفاده از قانون اهم جریان عبوری رو محاسبه میکنیم.
نکته بسیار مهم در مورد این روش این هست که مقاومتهای شنت انواع مختلفی دارند که هر کدام برای اندازهگیریهای مختلفی استفاده میشه:

این مدل رایجترین مدل صنعتی و آزمایشگاهی است که معمولاً از جنسهای Manganin, Nichrome یا Constantan (که این آلیاژها مقاومت پایدار با ضریب دمایی پایین دارند) ساخته میشوند.
این مقاومتها دارای توان بسیار بالا هستند و قابلیت تحمل جریانهای زیاد (تا صدها آمپر) رو دارند. همچنین دقت بالا و پایداری حرارتی بالایی رو هم دارند.
تقریباً ارزانترین روش همین هست، در این روش جریان رو از یک ترک PCB با ضخامت کم عبور میدهیم و ولتاژ دو سر ترک را با استفاده از تقویتکننده، بهاندازه قابل خواندن adc بزرگ میکنیم و سپس توسط میکروکنترولر پردازش میکنیم.
شاید بزرگترین مزیت این روش ارزانبودن و بزرگترین عیب این روش هم عدم دقت کافی این روش میباشد.
با استفاده از لینک زیر و یا لینکهای مشابه میتوانید بهصورت تقریبی مقدار مقاومت یک ترک PCB را محاسبه کنید:
https://www.omnicalculator.com/other/pcb-trace-resistance

این مدل شنت تقریباً همون روشهای مقاومتهای معمولی هستند؛ ولی با ظرفیت خیلی کم.
این مقاومتها دقت خوب و قابلقبولی دارند؛ ولی نسبت به گرما حساستر هستند و بیشتر برای جریانهایی تا چند آمپر کاربرد دارند.

این نوع شنت از سیم آلیاژی پیچیده شده بر روی هسته غیرهادی ساخته شده که مقدار مقاومت دقیقی رو ایجاد میکنه، این شنتها معمولاً برای استفاده در جریانهای بالا و توانهای بالا مورداستفاده قرار میگیره.
نکته بسیار مهم در استفاده از این مقاومتها این مورد هست که مقدار سلف ایجاد شده توسط سیم در بعضی از مدارات سوئیچینگ مشکل ایجاد میکند و میبایست برای مقابله این خاصیت سلفی تدابیری رو اندیشید!
خب تا اینجای کار انواع مقاومت شنت رو یاد گرفتیم (البته شاید موارد دیگهای هم باشه که من اطلاعی ندارم 😊) ولی به نظرم وقت اون رسیده که برای اندازهگیری با استفاده از این روش یکم مداری بحث کنیم.
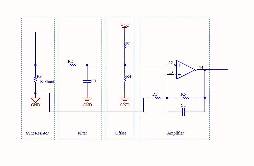
برای اندازهگیری جریان میتونیم از شماتیک زیر استفاده کنید:

در این مدار، مقاومت R3 نقش مقاومت شنت (Shunt Resistor) را دارد و افت ولتاژ کوچکی متناسب با جریان عبوری از مدار ایجاد میکند.
ترکیب R2 و C1 یک فیلتر پایینگذر (Low‑Pass Filter) را تشکیل میدهد که وظیفه آن حذف نویزهای فرکانس بالا و مؤلفههای غیرمطلوب است.
مقاومتهای R1 و R4 برای ایجاد ولتاژ افست (Offset Bias) استفاده میشوند تا سطح ولتاژ سیگنال را به محدودهای منتقل کنند که میکروکنترلر قادر به خواندن آن باشد.
این افست معمولاً برای امکان اندازهگیری سیگنالهای AC با بخش منفی اعمال میشود؛ بهعبارتدیگر، با اضافهکردن افست، کل موج به ناحیه مثبت ولتاژ منتقل میشود تا ADC آن را بدون اشکال نمونهبرداری کند.
در نهایت، آپامپ به همراه مقاومتهای R5 و R6 و خازن C2 نقش تقویتکننده (Amplifier) را دارد و سیگنال را تا سطح مناسب برای ورودی آنالوگ میکروکنترلر تقویت میکند. ترکیب R6 و C2 اغلب باعث پایداری بیشتر و محدودکردن پهنای باند نویز در تقویتکننده میشود.
از نظر طراحی، تنها نکتهی مهم در انتخاب آپامپ، جریان بایاس ورودی (Input Bias Current) پایین آن است.
آپامپهایی که طبقهی ورودی FET یا CMOS دارند، معمولاً جریان بایاس بسیار کوچکی در حد پیکوآمپر دارند که باعث اندازهگیری دقیقتر و البته قیمت بالاتر آنها نسبت به مدلهای معمولی BJT میشود.
در مدار قبلی، جریان عبوری با استفاده از مقاومت شنت به ولتاژ تبدیل، سپس افست لازم به آن اضافه و در نهایت توسط آپامپ تقویت شده تا به محدودهی کاری مبدل آنالوگبهدیجیتال (ADC) در میکروکنترلر برسد.
اما در برخی کاربردها لازم است این ولتاژ خروجی بهصورت ایزوله به میکروکنترلر منتقل شود تا از انتقال نویزها یا خطرات ولتاژ به بخش منطقی جلوگیری گردد.
برای این منظور میتوان از مدار اپتوکوپلر آنالوگ (Analog Optocoupler) استفاده کرد.
اپتوکوپلرهای آنالوگ معمولاً از یک دیود نوری فرستنده (LED) و دو دیود گیرنده فوتودیتکتور در یک بسته واحد تشکیل میشوند.
یکی از دیودهای گیرنده بهعنوان خروجی اصلی عمل میکند و دیود دوم برای فیدبک نوری در سمت فرستنده به کار میرود.
وجود فیدبک باعث میشود عملکرد اپتوکوپلر در ناحیهی خطی باقی بماند؛ در نتیجه سیگنال ولتاژ بهصورت تناسبی و دقیق از طریق ناحیهی نوری انتقالیافته و مدار بتواند برای کاربردهای آنالوگ مانند ایزولاسیون جریان یا ولتاژ اندازهگیریشده مورداستفاده قرار گیرد.
در عمل، معروفترین نمونههای این نوع اپتوکوپلرها مدل HCNR200 هست که دقت و خطیبودن بالایی در ایزولاسیون سیگنال دارند.
الزامات طراحی PCB مقاومت شنت:
علت: اگر انشعاب ولتاژ از بیرون یا لبهٔ مسیر گرفته شود، مسیر انتقال جریان شامل مقاومتهای اضافی (ناشی از طول مسیر مس، ویا قسمت لحیمشده) خواهد بود و این باعث افت ولتاژ ناخواسته و خطای اندازهگیری میشود. گرفتن سیگنال از داخل مسیر جریان باعث میشود فقط افت واقعی روی شنت اندازهگیری شود و نویز و گرادیان حرارتی مسیر در نتیجه تأثیری نگذارد.
2. مسیر ترکهای اندازهگیری ولتاژ از مقاومت شنت باید تاحدامکان کوتاه و با حداقل فاصله از تقویتکننده و قطعات جانبی ترسیم شود تا نویز القایی کاهش یابد.
همچنین، لازم است دو ترک مربوط به سرهای مثبت و منفی شنت طولی تقریباً برابر داشته باشند تا تأخیر یا اختلاف افت امپدانس مسیر باعث خطا در اندازهگیری نشود.

Figure 1 طریقه اشتباه ترک کشی
3. درصورتیکه از چند مقاومت شنت بهصورت موازی برای کاهش توان تلفاتی یا تقسیم جریان استفاده میکنید، رعایت موارد زیر الزامی است:
مسیر جریان باید بهگونهای طراحی شود که توزیع جریان بین مقاومتهای موازی یکنواخت باشد. هرگونه تفاوت در طول مسیر یا پهنای ترک موجب عدم برابر بودن جریانها و خطا در اندازهگیری میشود.
مسیر حس ولتاژ (Trace Sense Lines) باید تا جای ممکن کوتاه، همطول و نزدیک به هم طراحی شود تا نویز القایی و تفاوت امپدانس بین مسیرها به حداقل برسد.

یک عکس زیبا از PCB چیپ HLW8012 که بهوسیله مقاومت شنت مقدار جریان را محاسبه میکند.

ترانس جریان یا CT یکی از پرکاربردترین روشها برای اندازهگیری جریانهای AC است. این قطعه علاوه بر اینکه قیمت مناسبی دارد، بهصورت طبیعی خاصیت ایزولاسیون الکتریکی بین مدار قدرت و مدار اندازهگیری را فراهم میکند که از دید ایمنی و حفاظت سیستم اهمیت زیادی دارد.
ساختار CT بسیار ساده است: از یک هستهی مغناطیسی حلقوی تشکیل شده که روی آن سیمپیچ ثانویه با تعداد دور زیاد قرار گرفته است و سیم یا کابل حامل جریان اصلی (اولیه) از داخل این هسته عبور میکند. در واقع، آن سیم حامل جریان اولیه نقش تکدورۀ اولیهی ترانس را دارد.
طبق قانون فاراده و قانون آمپر، هرچه جریان عبوری از سیم اولیه افزایش یابد، شار مغناطیسی بیشتری در هسته ایجاد میشود. تغییر این شار سبب القای جریان در سیمپیچ ثانویه میگردد. مقدار جریان القایی در ثانویه متناسب با نسبت دورهای ترانس است، بهصورت زیر:
Ip×Np=Is×Ns
در حالت معمول، تعداد دورهای اولیه Np برابر با ۱ است (چون فقط یک سیم از وسط عبور دادهایم) و بنابراین:

یعنی اگر CT مثلاً نسبت تبدیل 1000:1 داشته باشد، عبور جریان 10 A از سیم قدرت باعث میشود 10 mA در سیمپیچ خروجی ایجاد شود.
این جریان ثانویه معمولاً از طریق یک مقاومت بار (Burden Resistor) به ولتاژ تبدیل میشود تا بتوان آن را بهصورت سیگنال قابلاندازهگیری برای مدار میکروکنترلر یا مدار اندازهگیری بهکار برد.
شماتیک زیر، مبدل جریان CT به ولتاژ 0 تا 10 ولت را نشان میدهد که در کاربردهای صنعتی مورد استفاده قرار میگیرد.
مقاومت R13 با مقدار 10 اهم، در واقع مقاومت شنت (Shunt) ترانس جریان بوده و وظیفهی تبدیل جریان خروجی CT به ولتاژ را بر عهده دارد.
پس از تبدیل جریان به ولتاژ، این سیگنال توسط U2 به ولتاژ DC تبدیل شده و سپس بهوسیلهی U3 و با گینی که POT1 تعیین میکند، تقویت میشود.
در نهایت، سیگنال خروجی پس از عبور از یک فیلتر پایینگذر، بهصورت ولتاژ DC صاف و متناسب با جریان ورودی در خروجی مدار ظاهر میگردد.

سنسورهای اثر هال یکی از دقیقترین و ایمنترین روشها برای اندازهگیری جریانهای AC و DC به شمار میروند. اساس کار آنها بر پدیدهی فیزیکیای به نام «اثر هال» است.
اثر هال زمانی رخ میدهد که یک جریان الکتریکی درون یک مادهی رسانا یا نیمهرسانا جاری شود و در همان زمان، آن ماده در معرض یک میدان مغناطیسی عمود بر جهت جریان قرار گیرد. در این حالت، نیروی لورنتس باعث میشود الکترونها به یک سمت سطح منحرف شوند و در نتیجه بین دو طرف ماده ولتاژی به نام “ولتاژ هال” به وجود آید. مقدار این ولتاژ با شدت میدان مغناطیسی و اندازهی جریان عبوری رابطهی مستقیم دارد.
در سنسورهای جریان از نوع هال، این پدیده بهصورت غیرمستقیم برای اندازهگیری استفاده میشود.

یکی از معروف سنسورهای جریان اثر هال سنسورهای سری ACS712 هستند.
سنسورACS712 یک حسگر جریان مبتنی بر اثر هال (Hall Effect) است که توسط شرکتAllegro Microsystems ساخته شده. این آیسی برای اندازهگیری جریانهای متناوب (AC) و مستقیم (DC) در محدودههای ±5 A، ±20 A و ±30 A طراحی شده و خروجی آن ولتاژ آنالوگ خطی متناسب با جریان واقعی میباشد.
چهار پایه از سمت ورودی مخصوص مسیر عبور جریان اصلی هستند؛ یعنی پایههای IP+ و IP− که جریان از آن وارد و خارج میشود.
این مسیر مستقیماً از داخل هستهی فلزی حسگر عبور میکند تا میدان مغناطیسی متناسب با مقدار جریان ایجاد شود.
در سمت مدار اندازهگیری نیز پایههای زیر قرار دارند:
با اعمال ولتاژ تغذیه به سنسور، ولتاژ خروجی در حالت بدون جریان (جریان صفر) برابر با نصف ولتاژ تغذیه، یعنی VCC/2 خواهد بود.
بهعبارتدیگر، نقطهی مرجع یا سطح صفر دستگاه در وسط محدودهی ولتاژ خروجی قرار دارد.
بنابراین، برای حفظ دقت اندازهگیری باید توجه داشت ولتاژ تغذیه سنسور (VCC) کاملاً پایدار و دقیق باشد؛ یا با استفاده از ADC مقدار واقعی ولتاژ تغذیه را اندازهگیری کرده و در محاسبات جریان لحاظ کنید تا خطاهای ناشی از تغییرات منبع تغذیه حذف شوند.
سنسور ACS712 در سه مدل مختلف تولید میشود:
بهعنوانمثال، در مدل 5 A بهازای عبور هر 1 A جریان، ولتاژ خروجی حدود 185 mV تغییر میکند.
در مقایسه با ترانس جریان (CT)، سنسور ACS712 مزیت اصلیاش توانایی اندازهگیری جریانهای DC است.
بااینحال، خروجی آن معمولاً نویز بیشتری دارد، بنابراین در کاربردهای دقیق لازم است از فیلترهای نرمافزاری یا سختافزاری برای نویزگیری و تثبیت سیگنال خروجی استفاده شود.
در این مقاله تلاش شد نگاهی کاربردی و مهندسی به یکی از مهمترین بخشهای سیستمهای IoT، یعنی اندازهگیری جریان الکتریکی انداخته شود. همانطور که مشاهده کردیم، اندازهگیری دقیق جریان نهتنها برای پایش مصرف انرژی، بلکه برای تشخیص خطاهای سختافزاری، افزایش ایمنی سیستم و پیادهسازی الگوریتمهای کنترلی هوشمند نقشی اساسی دارد.
در طول مقاله، سه روش متداول برای اندازهگیری جریان شامل مقاومت شنت، ترانس جریان (CT) و سنسورهای اثر هال بررسی شدند. هر یک از این روشها دارای مزایا و محدودیتهای خاص خود هستند و انتخاب نهایی آنها کاملاً به نیازهای پروژه، نوع جریان (AC یا DC)، دقت موردانتظار، محدودهی جریان، میزان ایزولاسیون موردنیاز و هزینهی نهایی سیستم بستگی دارد.
برای جمعبندی بهتر، جدول زیر مقایسهای کلی میان این روشها ارائه میدهد:
|
کاربردهای متداول |
معایب |
مزایا |
محدوده جریان قابل پشتیبانی |
دقت اندازهگیری |
ایزولاسیون الکتریکی |
نوع جریان |
روش اندازهگیری |
|
اسمارتمترها، منابع تغذیه، تجهیزات اندازهگیری دقیق |
تلفات حرارتی، حساس به نویز و PCB، عدم ایزولاسیون |
ساده، ارزان، پاسخ سریع، مناسب محاسبه توان |
mA تا صدها آمپر |
بالا (در طراحی صحیح) |
ندارد (مگر با مدار ایزوله) |
DC / AC |
مقاومت شنت (Shunt Resistor) |
|
محصولات کمهزینه و مصرفی |
دقت کم، وابسته به دما، تکرارپذیری پایین |
بسیار ارزان، بدون قطعه اضافه |
mA تا چند آمپر |
پایین تا متوسط |
ندارد |
DC / AC |
PCB Shunt (Copper Trace) |
|
درایورها، تجهیزات صنعتی سبک |
حساس به شوک جریان، خاصیت سلفی (نوع سیمی) |
اندازه کوچکتر، دقت مناسب، قیمت متوسط |
تا چند ده آمپر |
متوسط تا بالا |
ندارد |
DC / AC |
شنت فیلمی / سیمی |
|
کنتور انرژی، صنایع برق، سیستمهای حفاظتی |
عدم اندازهگیری DC، نیاز به مقاومت بار مناسب |
ایمن، بدون تلفات حرارتی، نویز کم |
چند میلیآمپر تا صدها آمپر |
بالا |
دارد (ذاتی) |
فقط AC |
ترانس جریان (CT) |
|
سیستمهای IoT، مانیتورینگ باتری، کنترل موتور |
نویز خروجی، وابسته به پایداری تغذیه |
امکان اندازهگیری DC، نصب ساده، ایزوله |
چند آمپر تا دهها آمپر |
متوسط تا بالا |
دارد (ذاتی) |
DC / AC |
سنسور اثر هال (مانند ACS712) |
باتوجهبه مطالب مطرحشده، بهروشنی میتوان گفت که هیچ روش واحدی برای تمام کاربردها بهترین انتخاب نیست. یک طراحی موفق زمانی شکل میگیرد که طراح با شناخت دقیق رفتار الکتریکی سیستم و محدودیتهای هر روش اندازهگیری، مناسبترین راهکار را انتخاب کند.
در مقالهی بعدی این مجموعه، به بررسی روشهای اندازهگیری ولتاژ DC و AC، آمادهسازی سیگنال برای ADC، و چالشهای عملی طراحی مدارات اندازهگیری ولتاژ خواهیم پرداخت تا قدمبهقدم به سمت پیادهسازی یک سیستم کامل اندازهگیری و مانیتورینگ در پروژههای IoT حرکت کنیم.
وبسایت: http://www.arvidtek.com
www.arvidtek.com | گروه مهندسی آرویدتک | فعال حوزه الکترونیک و مخابرات | فروشگاه تخصصی قطعات الکترونیک
توضیحات جامع و کاملی بود ، ممنون از حج متی
سیسوگ با افتخار فضایی برای اشتراک گذاری دانش شماست. برای ما مقاله بنویسید.