ما اغلب در فصل خشک، مانند تابستان، به هنگام لمس اشیا فلزی، مانند دستگیرههای در، دچار شوک الکتریکی میشویم. این موضوع به دلیل تولید الکتریسیته ساکن در بدن انسان رخ میدهد. هر جسمی میتواند الکتریسیته دریافت کند. در این حالت، پتانسیل الکتریکی جسم به چند کیلوولت و حتی بالاتر میرسد. در بیشتر موارد، الکتریسیته ساکن باعث اختلال و آسیب رساندن به وسایل الکتریکی میشود. برای دانستن اینکه الکتریسیته ساکن چه مقدار در اجسام یا بدن انسان شارژ میشود در این مطلب با سیسوگ همراه باشید تا وسیلهای برای اندازهگیری و سنجش پتانسیل سطحی برای اندازهگیری پتانسیل الکتریکی در اجسام باردار بسازیم.
با توجه به تصویر نشان داده شده در ادامه، الکتریسیته ساکن، بار الکتریکی داخل جسم یا روی سطح آن است. به جسم پس از دریافت بار الکتریکی، جسم دارای الکتریسیته گفته میشود.

باردار کردن اجسام و اندازه گیری میزان بار ذخیره شده در آنها
پتانسیل الکتریکی جسم با مقدار بار الکتریکی رابطه مستقیم دارد:
Q = CV
در رابطه فوق، Q مقدار بار الکتریکی، C ظرفیت خازنی جسم و V پتانسیل الکتریکی هستند. در حالت کلی، الکتریسیته ناخواسته توسط اثر تریبوالکتریک، در دو ماده متفاوت به هنگام تماس با یکدیگر و جدا شدن، به جای شارژ توسط منبع تغذیه DC نشان داده شده در تصویر، رخ میدهد. به این نکته توجه داشته باشید که در تصویر فوق، بارهای مثبت به عنوان بارهای متحرک نشان داده شدهاند. اما الکترون با بار منفی، تنها ذره بارداری است که در مواد رسانای جامد میتواند حرکت و جریان الکتریکی ایجاد کند. در نتیجه، بار مثبت در تصویر فوق نشاندهنده عدم تعادل بارهای الکتریکی است.
در حالت کلی، ولتاژ به صورت تماسی اندازهگیری میشود. اما برای اندازهگیری الکتریسیته ساکن از روش غیرتماسی استفاده میکنیم، زیرا پتانسیل جسمِ دارای الکتریسیته نسبتا بالا و در محدوده کیلوولت است. در این حالت، به هنگام اتصال پروب تماسی به جسم، به صورت نشان داده شده در تصویر زیر، بار الکتریکی به سرعت از آن خارج میشود. با وجود آنکه میتوان مقدار بار خارج شده از جسم را اندازه گرفت، اندازهگیری ولتاژ با داشتن مقدار بار ممکن نیست. به علاوه، این روش اندازهگیری مخرب است، زیرا مقدار بار الکتریکی جسم را تغییر میدهد. همچنین، در بسیاری موارد، پروب تماسی نمیتواند متصل شود، زیرا نهتنها جسم رسانا الکتریسیته دریافت میکند، بلکه سطح اجسام نارسانا، مانند پلاستیک، نیز میتواند مقداری الکتریسیته دریافت کند. سوالی که اکنون مطرح میشود آن است که چکونه میتوانیم پتانسیل سطحی جسم باردار را اندازه بگیریم؟
بار الکتریکی، میدان الکتریکی ایجاد میکند. میدان الکتریکی ایجاد شده میتواند به صورت نشان داده شده در تصویر زیر، بار الکتریکی را در بر بگیرد. قدرت و جهت میدان الکتریکی با استفاده از چگالی و جهت خطوط میدان الکتریکی تغیین میشود. قدرت میدان الکتریکی ایجاد شده توسط بار الکتریکی نقطهای با اندازه بار الکتریکی به صورت مستقیم و با مربع فاصله از بار به صورت معکوس، متناسب است.
E α Q / r ^ 2

باردار شدن و خطوط میدان الکتریکی
بنابراین، پتانسیل الکتریکی بار نقطهای میتواند با تشخیص قدرت میدان الکتریکی در نزدیکی جسم در شرایطی مشخص، تعیین شود.
روشهای بسیاری برای اندازهگیری قدرت میدان الکتریکی وجود دارند. معمولا برای اندازهگیری میدان ساکن، از روش نشان داده شده در تصویر زیر استفاده میشود. الکترود آشکارسازِ متصل به زمین در جعبهای محافظ قرار دارد. این جعبه دریچه ای دارد که به صورت متناوب روی الکترود شناسایی باز و بسته میشود. هنگامی که پنجره بسته میشود (تصویر a)، میدان الکتریکی جسم نمیتواند وارد جعبه شود. اما به محض باز شدن پنجره (تصویر b)، الکترود آشکارساز در معرض میدان الکتریکی جسم قرار میکیرد. در نتیجه، بارهای جذب شده توسط میدان الکتریکی، از زمین به سمت الکترود آشکارساز حرکت میکنند. وقتی دریچه دوباره بسته میشود و میدان الکتریکی داخل جعبه از بین میرود، بارهای داخل الکترود به دلیل نیروی دافعه بین یکدیگر، به سمت زمین حرکت میکنند و از الکترود خارج میشوند.

تشخیص قدرت میدان الکتریکی
با قطع کردن میدان الکتریکی با استفاده از مکانیزمی خاص، بارهای الکتریکی به داخل و خارج الکترود آشکارساز حرکت میکنند. مقدار بارِ جابجا شده توسط میدان الکتریکی با قدرت میدان الکتریکی و ظرفیت خازنی الکترود متناسب است. حرکت بارهای الکتریکی همان جریان الکتریکی است و با پردازش جریان ورودی به الکترود آشکارساز (شکل نشان داده شده در زیر)، قدرت میدان میتواند به صورت خروجی به شکل ولتاژ DC در نظر گرفته شود. این آرایش به عنوان تقویتکننده پایدار چاپر کار میکند که میتواند به صورت پایدار سیگنالهای AC را آشکار کند.

آشکارساز میدان الکتریسیته ساکن
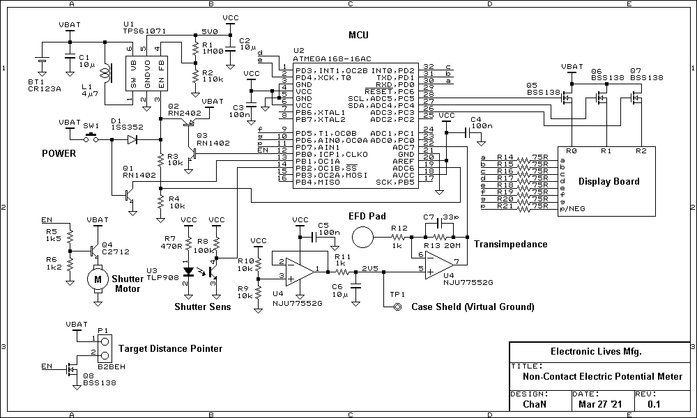
شکل زیر، شماتیک دستگاه اندازهگیری پتانسیل سطحی ساخته شده را نشان میدهد. بارهای ورودی به الکترود آشکارساز و خارج شده از آن با استفاده از تقویتکننده امپدانس، به ولتاژ تبدیل میشوند. ولتاژ آشکار شده با استفاده از تبدیلکننده A-D (آنالوگ – دیجیتال) در MCU (میکروکنترلر) دریافت میشود و پس از پردازش توسط نرمافزار، در نمایشگر ۳ قسمتی نمایش داده میشود.

الکترود آشکارساز باید در فاصلهای مشخص از سطحی که اندازهگیری میشود، نگه داشته شود. برای راحتی کار، سطح توسط دو پرتو لیزر متقاطع روشن میشود. فاصلهای که در آن نقطههای لیزر با یکدیگر همپوشانی دارند، فاصله صحیح و برای این دستگاه برابر ۴۰ میلیمتر و قطر دایره اندازهگیری شده در این مورد نیز در حدود ۴۰ میلیمتر است.
راههای مختلفی برای کنترل، تغییر و قطع میدانهای الکتریکی وجود دارند. در کاربردهای واقعی معمولا از قطعکنندهای از نوع دیاپازون استفاده میشود. در این پروژه، از شاتر چرخنده سادهای استفاده شده که به شکل صفحهای چرخنده با استفاده از تعدادی دیافراگم است. صفحه شاتر متصل به زمین توسط موتور اسپیندل CD با سرعت ۵۰۰ تا ۱۰۰ دور در دقیقه میچرخد. همچنین، زمان باز شدن دهانه دیافراگرم با استفاده از حسگر بازتابنده نور اندازهگیری میشود.
برای بدنه از جعبه پلاستیکی تاکاشی SW-100 و برای داشتن جعبه سرپوشیده الکتریکی، از رنگ رسانا بر پایه نیکل برای رنگآمیری آن استفاده شده است. ابتدا، تنها داخل جعبه را رنگ کردم، اما سطح خارجی آن به راحتی دارای الکتریسیته میشود. به همین دلیل، خطای آفست به هنگام خواندن رخ میدهد. از این رو، داخل و خارج جعبه باید رنگ شوند. در صورت استفاده از محفظه فلزی، داخل و خارج آن باید فلز خالص، بدون پوشش عایق مانند رنگ، باشد. اتصالکننده موزی شکلی نیز روی بدنه برای برقراری اتصال به زمین تعبیه شده است.
مبدل A-D توسط TC1-OC1B در فرکنسِ ۵ کیلوهرتز فعال میشود. فرایند اندازهگیری با استفاده از این مبدل با چرخش شاتر پیش میرود. انجام اندازهگیریها و بهروزرسانی آنها در هر ۶ چرخش انجام میشود.

شرایط مختلف اندازه گیری بار
برای رسیدن به مقدار صحیح در اندازهگیری، اندازهگیریها باید تحت شرایطی خاص انجام شوند:
عدد نشان داده شده توسط دستگاه، پتانسیل الکتریکی نسبی جسم نسبت به بدنه دستگاه را نشان میدهد. محدوده اندازهگیری در محدودهای است که خروجی تقویتکننده را اشباع نمیکند ( kV 50 ±). اگر تقویتکننده اشباع شود، عبارت Err به دلیل خارج بودن از محدوده اندازهگیری، نشان داده میشود. برای اندازهگیری میدان الکتریکی مطلق، بدنه دستگاه باید به زمین متصل شود. اگر اندازهگیری بدون اتصال بدنه دستگاه یا بدن انسان به زمین انجام شود، عدد خوانده شده، پتانسیل الکتریکی نسبت به بدن انسان را نشان میدهد. اندازهگیری سطحِ متصل به زمین، پتانسیل الکتریکی بدن انسان را با پلاریته یا قطبیت معکوس خواهد داد.
این روش، مشابه اندازهگیری معمولی است، اما با این تفاوت که در آن از جامپر استفاده میشود. کالیبراسیون با تنظیم پین PB3 در سطح پایین، فعال خواهد شد. در حالت روشن، پنجره آشکارساز برای رسیدن به سطح صفر، توسط جسم رسانایی که به زمین متصل شده، پوشانده شده است. پس از کالیبراسیون سطح صفر، عبارت Cal نمایش داده میشود. اکنون میتوان به مرحله بعد رفت. دستگاه را طوری تنظیم کنید که صفحه فلزی با ولتاژ مرجع ۵ کیلوولت را اندازهگیری کند. سپس آن را خاموش کنید. ضریب کالیبراسیون تقویتکننده برای خواندن ولتاژ مرجع ۵ کیلوولت محاسبه و در حالت خاموشی در حالت EEPROM ذخیره میشود. من برای برای فرآیند کالیبراسیون این دستگاه، قبل از این پروژه، ژنراتوری با ولتاژ بالا ساخته بودم.
سیسوگ با افتخار فضایی برای اشتراک گذاری دانش شماست. برای ما مقاله بنویسید.